
D941W-1C型電動通風蝶閥產品概述:
蝶閥采用優質鋼板焊接而成,結構簡單,重量輕,使用維修方便。非密封型,用來調節介質流量,使用在治金、礦山、水泥。化工、發電等行業的通風除塵、環境保護及采暖通風。
Product Instroduction
This kind of butterfiy valve is weldve by high quality alloy steel with a simple strucyure,lightweight, and E-maintenance. lt has no sealing funcion.lt is widely used in the pipelines of
ventilation, dust-moving, enxironmental protection and heating ventilation system to control the medium flow. Relatad industres are Blower, chemical,mill, metallurgy, cemrnt, eleceric
power plant ,iron&steel and foodseuff industry rtc.
公稱通徑:100mm-3000mm;
公稱壓力:0.1Mpa;
使用溫度:≤300℃;
適用介質:空氣、 煤氣、 煙氣等。
Nominal diameter:100mm-3000mm:
Nominal pressure:0.1Mpa;
Applicable temperature:≤300℃;
Applicale medium:Air,coal gas,flue gas etc.
采用標準 Applicable standard
制造標準:JB/T8692-98;
法蘭連接尺寸:GB/T9113-2000;
結構長度:GB/T12221-89;
檢驗標磚:GB/T13927-92
Mannfacture standard:JB/T8692-98;
Flange connection size:GB/T9113-2000;
Face to face:GB/T12221-89;
Inspetion standara: GB/T13927-92
主要零部件材料 Matericl for main parts
閥體:Q235-A:
蝶板:Q235-A;
閥桿: 不銹鋼;
填料: 柔性石墨
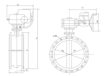
D941W-1C型電動通風蝶閥示意圖:

D941W-1C型電動通風蝶閥主要技術參數:
瑞安市天藍環保設備有限公司主營:卸料器、卸灰閥、星型卸灰閥、卸料閥、瑞安卸料器等系列產品,“天藍環保、凈化全球”,客服熱線:0577-65007068


